最佳体验请使用Chrome67及以上版本、火狐、Edge、Safari浏览器 ×

创建银行
创建开票

    超结MOS在全桥电路上的应用-REASUNOS瑞森半导体

    编者: 王勇@泰科九维 阅读425 来源: 瑞森半导体 2024/09/29 05:48:38 文章 外链 公开

    一、前言

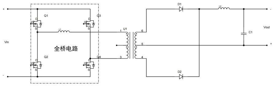
    全桥电路定义

    全桥电路是一种常见的电子电路,由四个开关管和一个负载组成,可将直流电转换为交流电。

    全桥电路的应用领域

    全桥电路广泛应用于电力电子领域,如开关电源、变频器、逆变器、电动汽车、工业自动化等领域 。在电路中,全桥电路可以使直流电转换成交流电;在电机控制中,全桥电路可用于变频调速和正弦波控制。

    1.png


    二、全桥电路的原理

    全桥电路通过控制开关管的通断来改变电源与负载之间的电压极性,实现对负载的驱动。在上半周期内,开关管Q1、Q4闭合,Q2、Q3断开,电源的正极通过Q1进入负载,负载的负极通过Q4回到电源的负极。在下半周期内,开关管Q2、Q3闭合,Q1、Q4断开,电源的正极通过Q3进入负载,负载的负极通过Q2回到电源的负极。这样就能实现直流电源向交流负载的转换。

    2.jpg


    三、全桥电路对于MOS管的需求

    (1)主要损耗构成:①MOS管的导通损耗直接由导通Rdson决定,要求MOS管的Rdson更低。②MOS管的开关损耗,由MOS管的米勒平台等参数决定,要求MOS管开关特性好,开关速度快,交越损耗小;

    (2)后端是感性负载,需要二极管反向续流,要求功率MOS二极管反向恢复特性较好,具有较短反向恢复时间trr。



    四、全桥电路MOS管选型

    根据不同的应用需求,全桥电路还可分为全桥逆变电路、全桥整流电路等,瑞森半导体多层外延超结MOS系列,可应用于全桥电路不同的应用中。

    瑞森半导体超结MOS全系列采用多层外延工艺,具有低导通损耗、大通流能力、低栅极电荷、低开启电压、出色的非钳位感性开关能力等工艺特色。再加上我司对产品进行百分之百的雪崩能量击穿测试等自有标准;产品对标英飞凌C3、 P6、P7系列 ; 封装产品丰富,为设计者们提供了极大的灵活性。

    3.jpg


    声明:本网站部分内容来源于网络,版权归原权利人所有,其观点不代表本网站立场;本网站视频或图片制作权归当前商户及其作者,涉及未经授权的制作均须标记“样稿”。如内容侵犯了您相关权利,请及时联系责任编辑(技术论坛)
    王勇
    @泰科九维 ,版权号:
    成员
    • 成交数 --
    • 成交额 --
    • 应答率
    聊天 收藏 点赞
    赏
    ¥0.00¥0.00¥0.00¥0.00¥0.00
     0  0
    
    
    分享

    微信扫一扫:分享

    微信里点“+”,扫一扫二维码

    便可将本文分享至朋友圈。

        0
      验证
      二维码支付