最佳体验请使用Chrome67及以上版本、火狐、Edge、Safari浏览器 ×

创建银行
创建开票

    支持400V输入、三相输入二极管模块开始销售 ~为面向中国和欧洲工业设备的小型化和可靠性提升作贡献

    编者: John Lee@SDG新电元 阅读976 来源: Shindengen 2023/04/07 09:51:00 文章 外链 公开

    支持400V输入、三相输入二极管模块开始销售 
    ~为面向中国和欧洲工业设备的小型化和可靠性提升作贡献~

    Oct. 27, 2022

    新电元工业株式会社在产品阵容中,新增工业设备三相交流输入整流电路用二极管模块“MG038系列”。

    此次新增“MG038C”和“MG038D”这两种二极管模块,适用于交流输入电压400V的转换器。
    由于车载电装品和各类用途的半导体需求增加等原因,工业机器人市场正在持续成长。此前新电元开发和销售了800V耐压的二极管模块,随着中国和欧洲等地对适用于400V输入产品的需求不断增加,此次在产品阵容中新增了1600V耐压的产品。

    本产品与800V耐压品同样,采用有利于小型化的扁平型封装。且IFSM 达到1600A/2000A,可实现高破坏耐量化。可以为400V输入设备的小型化和可靠性提升作贡献。

    • MG038_cn.png



    ■ 特長

    • 采用本公司新开发的1600V耐压芯片
      可搭载在中国和欧洲等400V输入设备上使用

    • 采用扁平封装
      采用扁平封装 采用17mm高度的扁平型,有助于设备小型化

    • 竞争对手同等以上的可靠性
      通过改进安装设计提升了IFSM,确保比其他公司同类产品更具优势


      IFSM[A]与其他公司同等产品相比
      MG038C20008%改进
      MG038D160033%改进
    • 采用行业标准外形,具有可替换性
      端子和安装间距的设计考虑到替换现有产品的需要

    • 其他特点
      ・采用陶瓷基板的高绝缘性能和高散热设计
      ・UL1557认证品

    • ■ 产品规格


    • type No.VRRM
      [V]
      VF
      [V]
      IF(typ.)
      [A]
      IFSM
      [A]
      MG038A200080A800
      1.052001950
      MG038B150080A1501650
      MG038C200160A NEW

      1600

      2002000
      MG038D150160A NEW1501600


    • ■ 等效电路图

    • MG038_Equivalent Circuit-thumb-386xauto-9830.png

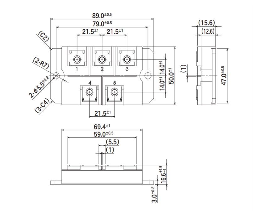
    • ■ 外形尺寸图

    • 11.png



    • ■ 生产工厂

    • Lumphun Shindengen Co., Ltd. (Thailand) etc.


    • ■ 问讯窗口

    • 问讯窗口

    • 新产品信息记载的内容截止于本报导日。在您浏览时,存在信息变更的可能性(如生产,销售终止。价格,技术规格变更等)。敬请谅解。


      声明:本网站部分内容来源于网络,版权归原权利人所有,其观点不代表本网站立场;本网站视频或图片制作权归当前商户及其作者,涉及未经授权的制作均须标记“样稿”。如内容侵犯了您相关权利,请及时联系责任编辑(产品速递)
      李明骏
      @芯之元 ,版权号:
      成员
      • 成交数 --
      • 成交额 --
      • 应答率
      聊天 收藏 点赞
      赏
      ¥0.00¥0.00¥0.00¥0.00¥0.00
       0  0
      
      
      分享

      微信扫一扫:分享

      微信里点“+”,扫一扫二维码

      便可将本文分享至朋友圈。

          0
        验证
        二维码支付