最佳体验请使用Chrome67及以上版本、火狐、Edge、Safari浏览器 ×

创建银行
创建开票

    碳化硅MOS超高压MOS在电焊机上的应用-REASUNOS瑞森半导体

    编者: 王勇@瑞森半导体 阅读759 来源: 瑞森半导体 2024/03/25 01:52:53 文章 外链 公开

    一、前言

    电焊机是指为焊接提供一定特性的电源的电器,其工作原理:在接触到焊接物与被焊接物时,发生短路,短路产生高温电弧,将焊接物熔化,使得它们相互融合。电焊机分为家用焊机和工业焊机。

    家庭型电焊机:为家庭实用性考虑设计,多以氩弧焊冷焊混合型为主,其特点:功率偏小、电源电压为220V。

    工业型电焊机:为工业实用考虑设计,功率大、电源电压一般采用380V/220V两用。焊接范围广,可连续十几小时不停工作。高度的可靠性,强大的散热功能,确保设备能承受高负荷恶劣工况。

    电焊机是由电源、变压器、整流器、输出电路和外壳等几个基本部分组成。

    图片1.png


    二、典型应用拓扑图

    单相逆变线电路

    图片2.png


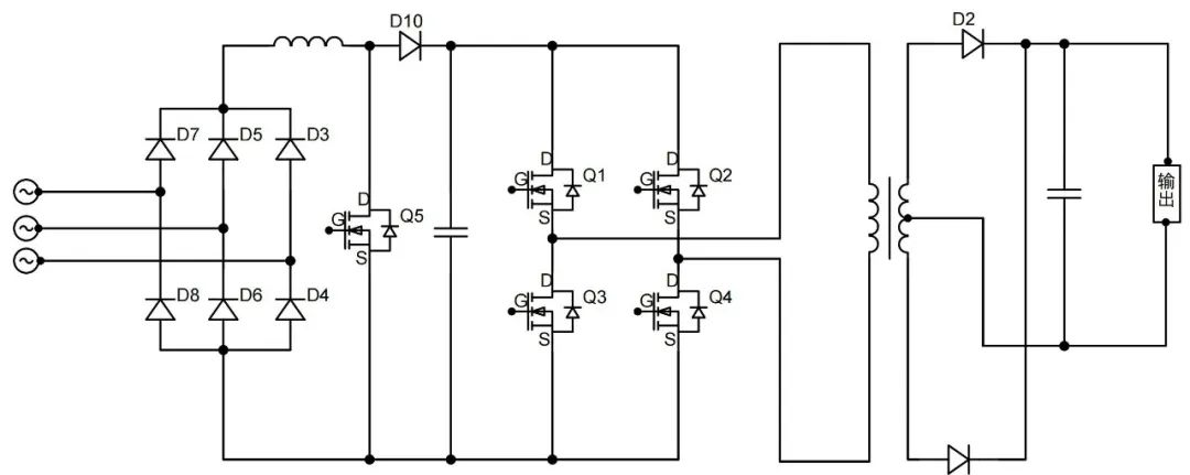
    三相逆变线电路

    图片3.png


    三、典型应用及选型推荐

    单相逆变线电路  

    在220V 输入前提下,采用单相逆变电路,推荐使用瑞森半导体高压MOS系列:

    u 新型的横向变掺杂技术;

    u 专有的功率MOS结构;

    u 高温特性优良。

    图片4.png


    三相逆变线电路  

    输入电压由单相220V AC变成三相380V AC后,原用500V系列已经无法满足要求,推荐使用瑞森半导体超高压MOS系列:

    u 损耗低,稳定性强;

    u 较低的开关速度达到更好的EMI兼容性;

    u 耐高压、大电流、可完全实现进口替代。

    图片5.png


    除了超高压MOS,三相逆变电路还可推荐选用1200V以上的碳化硅MOS系列来做开关管。

    u 军工研究所实验室及CNAS实验室验证;

    u 成功量产650V、1200V 、 1700V(国内领先); 

    u 具有竞争力的Ronsp,与1代产品相比,Ronsp减小20%,与2代产品相比更具竞争力。

    图片6.png

     


    声明:本网站部分内容来源于网络,版权归原权利人所有,其观点不代表本网站立场;本网站视频或图片制作权归当前商户及其作者,涉及未经授权的制作均须标记“样稿”。如内容侵犯了您相关权利,请及时联系责任编辑(瑞森课堂)
    蒋皓
    @瑞森半导体 ,版权号:
    成员
    • 成交数 --
    • 成交额 --
    • 应答率
    聊天 收藏 点赞
    赏
    ¥0.00¥0.00¥0.00¥0.00¥0.00
     0  0
    
    
    分享

    微信扫一扫:分享

    微信里点“+”,扫一扫二维码

    便可将本文分享至朋友圈。

        0
      验证
      二维码支付